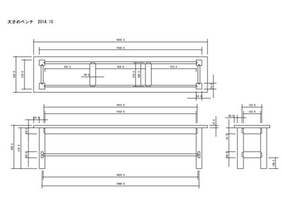
![]() | 2014年10月5日 横幅が1600mmのちょっと大きめなベンチを作ります。 1800mmで頼まれたのですが、物置工房で作るには大きすぎ、1600mmにしました。 さて、うまくいくでしょうか。 雪が降るまでには完成させたいな・・・ 図面。クリックで大きくなります。 |
![]() | 木作りした1×4と2×4を貼り合せ脚の素材にします。 こんな作業には粘度が低いタイトボンドが扱いやすいです。 |
![]() | クランプでしっかりと締め付けます。 |
![]() | 2014年10月13日 紅葉は今が見頃。峠には雪が降りました。うかうかしていたら冬将軍がやって来ます。エンジンかけて作業しますよ! 幕板をバンドソーで切り出します。仕上がり寸法プラス10mmぐらい。 |
![]() | 長すぎで手押しは使えず。直線切り治具とパターンビットで基準面を作ります。 |
![]() | 木製クランプでしっかり固定。 |
![]() | 工房の端から端までを使って自動カンナで幅決めです。 |
![]() | 次は足を加工。手押しで2面削ります。 |
![]() | ここでしっかりと矩出しします。 |
![]() | バンドソーで大体の寸法に切り出し。この後自動カンナで仕上げます。 |
![]() | 木取り終了。 久しぶりの作業で1日かかってしまいました。 次回からは目に見えて形になって行きそうです。 |
![]() | 2014年10月18日 いやぁ、阪神は勢いあります。連勝で日本シリーズ進出決めてしまいましたね。 我らが日ハムはここぞの一発が出ず、足踏み状態。明日こそは勝ってくれよ! と言う事で、野球を聞きながらちょこっと作業しました。 ホゾを作ります。10mm用ホゾ切り治具と19mmのストレートビットで。 |
![]() | 肩口は材を立てて削ります。 |
![]() | いいんでない〜〜! |
![]() | 2014年10月21日 今日もちょこっと木工。 足にホゾ穴を掘ります。ホゾ穴掘り治具と6mmのエンドミルで。 |
![]() | ホゾ穴の端をノミで整えました。 |
![]() | 仮組み。工房ぎりぎりの大きさです。 |
![]() | 2014年10月26日 なかなか進みませんが、今日もちょこっと木工。 中貫の材にヤニ壺があったので、トリマーで削り、埋め木しました。 |
![]() | 木目が同じ様な材で埋めます。 |
![]() | カンナで削れば、目立たないでしょ! |
![]() | 側貫に中貫用のホゾ穴を掘りました。 |
![]() | 2014年11月2日 寒さも増してきました。峠は雪の予報。グズグズしていたらあっという間に里にも雪が降ってきます。どんどん作って行きますよ! 幕板に座面受け用のホゾ穴を掘ります。ホゾ穴掘り治具をフェンスにして。 |
![]() | この後、ホゾ穴の角をノミでさらって完成。 |
![]() | 足の面取り。6mmの丸面ビットで。 この後、水引きしてサンディングしました。 |
![]() | いよいよ組み立て開始! まずは足を2本ずつ。 矩とねじれに気をつけました。 |
![]() | 長手側の幕板に座面受けの材を取付け。 形が見えるまでもう一息ですが、今日はここまでです。 |
![]() | 2014年11月5日 座板を作ります。 2×4材を仕上がり寸法プラス10mmに切断後、手押しをかけて基準面出し。 デルタの小型の手押しですが、どうにか1610mmの基準面を出せました。 狭い工房。材がほとんど外に飛び出しています。天気が良くてよかった〜〜(笑) |
![]() | 仕上がりの厚みは25mm。30mm厚ぐらいにバンドソーでリソーしました。これも工房を目一杯使っての作業です。 ティンバーウルフの9.5mmX4pcのブレードでサクサクと切断。ティンバーウルフのブレードは良く切れますね! |
![]() | 材が長すぎて手押しでは板矧ぎする面の直線が出せないので、直線切り治具とパターンビットで。 両面を4本かけたら結構時間がかかりました。 |
![]() | 2×4材を4本板矧ぎするのですが、仕上がりの板幅では自動にかかりません。とりあえずは2本ずつ2組作って板厚を決めてから再度矧ぐことにしました。 2本板矧ぎ中。1610mmと長いので、クランプ総動員で締め付けます。 |
![]() | 2014年11月8日 組み立ての続きを。 自動で座板の板厚を25mmに揃え、再度板矧ぎ。 段差が出ない様に気を付けて。 |
![]() | 本体の組み立て。 ポニークランプを連結金具で2本繋いで使いました。 最近は夕暮れも早くなってきました。外は真っ暗です。 |
![]() | ポニークランプが長すぎて工房の扉が閉まりません(汗) このまま一晩乾燥させます。 |
![]() | 2014年11月16日 11月としては記録的な大雪で、工房のまわりは雪で真っ白。寒さに負けず、ちょこっとだけ木工。 座面の角を丸めます。25mmRのテンプレートとパターンビットで。 |
![]() | 6mmの丸面ビットで面取り。この後、水引きして、今日はここまで。 |
![]() | 2014年11月20日 今日もちょこっとだけ木工。 隅木を作りました。 隅木にコーススレッド用の下穴を斜め45度に開ける必要がありますが、うまい方法があったので「隅木の下穴開け」にまとめました。 |
![]() | 取付けました。 あとは塗装して座面を固定すれば完成です。もう一息! 先日降り積もった大雪も一度解け、根雪はもう少し先の模様。その前に完成させますよ〜〜! |
![]() | 2014年11月26日 今朝は晴天。放射冷却現象で冷え込み−2℃ぐらいになり、この冬一番の寒さです。 ブルブル震えながらも、今日で完成させますよ! オスモのノーマルクリアで塗装。塗り残しのない様に。 |
![]() | 座面をスリムビスで固定します。 先日購入したスーパースリムトーションビットを使いました。しっかりと食い込み、いい塩梅です。 |
![]() | ひっくり返して完成です! 大きいので工房での取り回しに苦労しました。あちこちちょこっとぶつけたりしています(汗) |









































